lock ປະຕູຕູ້ອຸດສາຫະກໍາເປັນອົງປະກອບປ້ອງກັນທີ່ສໍາຄັນຂອງຕູ້ແຈກຢາຍ, ຕູ້ການສື່ສານ, ກ່ອງຄວບຄຸມແລະອຸປະກອນອື່ນໆ, ເຊິ່ງກ່ຽວຂ້ອງໂດຍກົງກັບຄວາມປອດໄພຂອງອົງປະກອບໄຟຟ້າພາຍໃນແລະການເຮັດວຽກທີ່ຫມັ້ນຄົງຂອງລະບົບ.
ເພື່ອຕອບສະຫນອງຄວາມຕ້ອງການທີ່ຫຼາກຫຼາຍຂອງເວລາການຈັດສົ່ງແລະຂໍ້ກໍາຫນົດສໍາລັບໂຄງການທີ່ແຕກຕ່າງກັນ, ບໍລິສັດຂອງພວກເຮົາສະເຫມີມີຫ້າປະເພດຂອງ locks ທົ່ວໄປໃນຫຼັກຊັບ -Long Bar Lock, Panel Lock, Rod Control Lock, ຈັດການລັອກ,ລັອກລີ້ນ Rotary. ໃນຂະນະດຽວກັນ, ພວກເຮົາສະຫນັບສະຫນູນ lock ທີ່ບໍ່ແມ່ນມາດຕະຖານທີ່ກໍາຫນົດເອງຕາມຮູບແຕ້ມຫຼືຕົວຢ່າງ, ທີ່ເຫມາະສົມຢ່າງສົມບູນສໍາລັບທຸກປະເພດຂອງກ່ອງແຈກຢາຍໂລຫະ.
lock ຍົນແມ່ນຫນຶ່ງໃນປະເພດທົ່ວໄປທີ່ສຸດຂອງ lock ປະຕູຕູ້ອຸດສາຫະກໍາ, ທັງງາມແລະງ່າຍຕໍ່ການຮັກສາ. ບໍລິສັດຂອງພວກເຮົາເປີດຕົວ AB301, AB302, AB303, AB402, AB403 series lock ຍົນ, ໃນຄວາມເຂັ້ມແຂງຂອງໂຄງສ້າງ, ການປະຕິບັດການປົກປ້ອງແລະຄວາມຮູ້ສຶກຂອງການອອກແບບທີ່ແຕກຕ່າງກັນ, ສາມາດຕອບສະຫນອງຂໍ້ກໍາຫນົດທີ່ແຕກຕ່າງກັນຂອງກ່ອງແຈກຢາຍ, ຄວາມຕ້ອງການການຕິດຕັ້ງຕູ້ຄວບຄຸມ.
| ຂະໜາດ | ໝາຍເລກຜະລິດຕະພັນ | |||||||
| L1 | L2 | L3 | B1 | B2 | ແຜ່ນສີເທົາ chrome | ສີດພົ່ນສີເທົາ | ຝຸ່ນສີດໍາເຄືອບ | ນ້ຳໜັກ(g) |
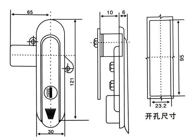
| 147 | 117 | 72 | 33 | 26.5 | AB301-1-1.2 | AB301-1-1.8 | AB301 | 370 |
| 120.5 | 95.5 | 65 | 30 | 23.5 | AB301-2-1.2 | AB301-2-1.8 | AB302 | 290 |
| 87.5 | 62.5 | 65 | 28.5 | 23.5 | AB301-3-1.2 | AB301-3-1.8 | AB303 | 215 |
ວັດສະດຸຕົ້ນຕໍ: ໂລຫະປະສົມສັງກະສີ.
ການປິ່ນປົວດ້ານ: chrome ສົດໃສ, matte, ສີດໍາ.
ຟັງຊັນແລະການນໍາໃຊ້: ຮັບຮູ້ການເປີດປະຕູຊ້າຍແລະຂວາ, ງ່າຍຕໍ່ການນໍາໃຊ້, ມີຫນ້າທີ່ປະທັບຕາແລະກັນນ້ໍາ.
ວັດສະດຸຕົ້ນຕໍ: ໂລຫະປະສົມສັງກະສີ.
ການປິ່ນປົວດ້ານ: chrome ສົດໃສ, matte, ສີດໍາ.
ຟັງຊັນແລະການນໍາໃຊ້: ຮັບຮູ້ການເປີດປະຕູຊ້າຍແລະຂວາ, ງ່າຍຕໍ່ການນໍາໃຊ້, ມີຫນ້າທີ່ປະທັບຕາແລະກັນນ້ໍາ.
ວັດສະດຸ: ໂລຫະປະສົມສັງກະສີ lock body, shaft rotating, bolt ເຫຼັກ galvanized, ແຜ່ນຄວາມກົດດັນ.
ການປິ່ນປົວດ້ານ: ສີເງິນ nano ສີຂີ້ເຖົ່າສີຂີ້ເຖົ່າ.
ລາຍລະອຽດໂຄງສ້າງ: ໝຸນ 90 ອົງສາເພື່ອເປີດ ຫຼື ລັອກ.
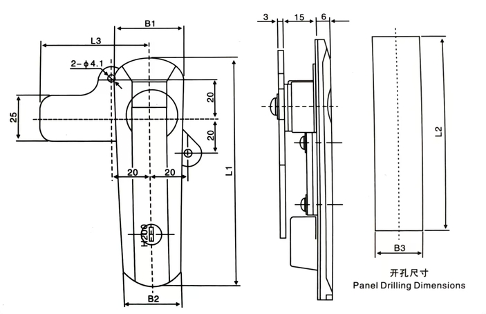
| ຮູບແບບ | L1 | L2 | L3 | B1 | B2 | B3 |
| ໃໝ່ AB402-A | 123 | 95.5 | 65 | 36.5 | 30 | 23.5 |
| ໃໝ່ AB403-A | 91 | 62.5 | 65 | 33 | 28.5 | 23.5 |
| ໃໝ່ AB401-A | 151 | 117 | 72 | 36 | 30 | 26.5 |
